12月9日,由中國建筑材料流通協會提出并歸口,廣東新一派建材有限公司牽頭起草,佛山市高明貝斯特陶瓷有限公司、廣東新中源陶瓷有限公司、佛山市新巖素智能家居科技有限公司、佛山市大角鹿大理石瓷磚有限公司、廣東東鵬控股股份有限公司、蒙娜麗莎集團股份有限公司、廣東宏宇集團、佛山歐神諾陶瓷有限公司、山東維統科技有限公司、江西太陽陶瓷有限公司、上海菲拉奧新材料科技有限公司、廣東裕輝陶瓷有限公司參與起草的《陶瓷巖板產品規范》在國標委全國團體標準信息平臺正式發布,為行業提供首份陶瓷巖板產品標準,填補目前國內在巖板流通領域的標準空白,對規范巖板市場流通、推動行業發展具有重要意義。



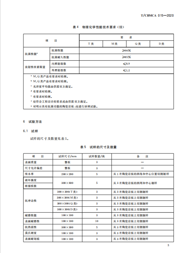
《陶瓷巖板產品規范》規定了陶瓷巖板的術語和定義,分類、代號及標記,技術要求,試驗方法,檢驗規則以及標志、包裝、運輸及貯存。文件適用于臺面用陶瓷巖板、柜面用陶瓷巖板、墻面用陶瓷巖板、地面用陶瓷巖板產品的生產、質量控制和產品評價。
《陶瓷巖板產品規范》確立了陶瓷巖板的定義,即“用黏土和其它無機非金屬材料為主要原料,經制粉、成型以及高溫燒成等工藝生產的具有良好機械加工性能的板狀陶瓷材料。”《陶瓷巖板產品規范》指出陶瓷巖板是沒有具體規格限制的,并對其技術要求、試驗方法、檢驗規則以及標志、包裝、運輸及貯存等作了具體規范要求說明,該標準與意大利、西班牙等國家巖板標準接軌,標準達到國際先進水平。
以下為《陶瓷巖板產品規范》文件全文,供行業參考:























